| |
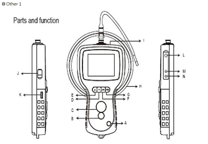
º» ÆÄÀÌÇÁ³»½Ã°æÀº FTX Á¦Ç°°ú PROBE¸¦ ¿¬°áÇÏ¿© »ç¿ëÇϸç, ³»°æÀÌ 30MMÀÌ»óÀ» °¡Áø ÆÄÀÌÇÁ³ª ÅÊÅ©µîÀ» °üÂûÇÒ ¼ö ÀÖ´Ù. PROBE´Â µ¶ÀÏ»êÀ¸·Î¼ Ư¼öÇÑ ÀçÁú·Î ¸¸µé¾îÁ³À¸¸ç, ³»±¸¼ºÀÌ ¸Å¿ì °ÇÏ´Ù. ¶ÇÇÑ Çìµå´Â ¹è°üÀÇ ±¼°îÀ» ½±°Ô Åë°úÇÒ ¼ö ÀÖ°Ô ¸¸µé¾îÁ³À½. ¸ð´ÏÅÍ(FVS800)Àº ºÐ¸®°¡ °¡´ÉÇÏ¿© ¿©·¯¹æÇâ¿¡¼ °üÂûÀÌ °¡´ÉÇÏ°í º¸°üÀÌ ½±´Ù.
-
SPECFICATION
- DIAMETER : 25MM
- MAGE SENSOR : 1/4" COLOR CMOS
- ÇØ»óµµ : 720(H) X 575(V), (414,000Çȼ¿)
- ÃÐÁ¡°Å¸® : 40 - 700MM
- LENGTH : 1M - 100M
- ½Ã¾ß°¢µµ : 73µµ
- LED : 12EA
- LED ¼ö¸í : 10,000½Ã°£
- »ç¿ë¿Âµµ : -20(µµ¾¾) - +70(µµ¾¾)
- »ó´ë½Àµµ : 95%
- ¹æ¼ö : IP67
- ¸ð´ÏÅÍ : 3.5" TFT LCD
- ÁÜ : X 2
- ÃæÀü½Ã°£ : 4½Ã°£ÃæÀüÈÄ 2½Ã°£»ç¿ë°¡´É |
|
| |
| Camera Diameter |
25mm |
| Image sensor |
1/4 Color CMOS |
| Pixel Count |
720(H) X 575(V) |
| Exposure |
Automatic |
| Auto White Balance |
Automatic |
| Video format |
NTSC |
| Interface |
Composite Video |
| Power Supply |
DC 3.7V ~ 5% |
| Housing |
Copper with nickel coating |
| Field of View(FOV) |
73° |
| Depth of Field(DOF) |
5cm ~ 70cm |
| |
|
| Light source |
|
| Lighting |
12 (3) |
| 3 : 3500mcd(typ.) |
| Brightness control |
Manual |
| Lamp Output |
7300 Lux at 20mm |
| Tip operating temperature |
-20¡É to 70¡É ( -4¢µ to 158¢µ) |
|